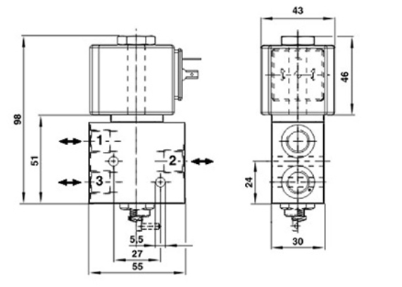
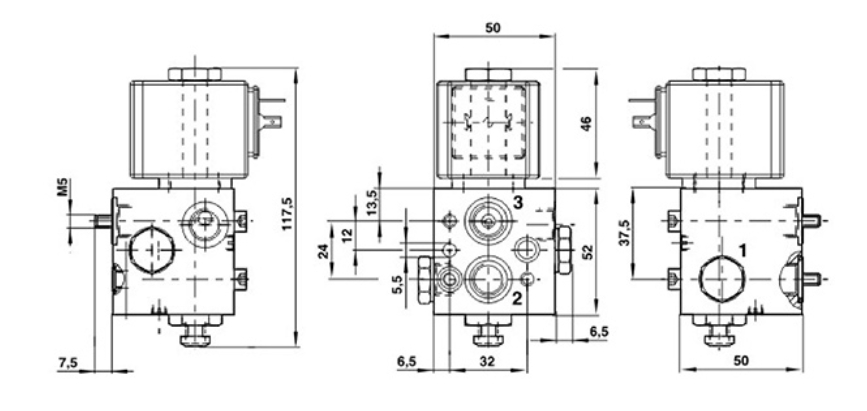
Direct acting solenoid valve 24011

description1
Zipper closure 1/5 zip athletic pullovers for men. Stretchy, lightweight, fast-drying fabric for superior performance. REGULAR FIT - US standard sizes. An athletic fit that sits close to the body for a wide range of motion, designed for optimal performance and all day comfort. FEATURES - Quarter zip closure;Thumbholes on long sleeves to keep them in place during workout
Product details

Direct acting solenoid valve
24011 5mm diameter (ND) 3/2, universal type, G1/4, 1/4 NPT, flange with NAMUR interface

Material:
Valve body, valve core, coil and top cover: stainless steel 1.4404 (316L)
O-ring seat and seal: High strength NBR
Housing anodized aluminum (suitable for environments with high humidity, sulphur, sodium chloride and ammonia), copper 2.0401 (Ms 58) or stainless steel 1.4404 (316 L)

Technical data:
Medium neutral, corrosive gas, fluid.
Filtered lubricated or non-lubricated compressed air for fluid viscosity up to 40cSt.
Flow: 3401/min
Flow direction: optional
Installation position: optional, vertical is best
Medium temperature:
-25°C ... +80°C NBR
-10°C ...+120°C FPM
Water temperature up to +95°C
-40°C...+60°CVMQ
For temperatures below 0°C use conditioned dry air. If installing outdoors, please protect all connecting parts from water vapor penetration. The air supply must be dry enough to avoid freezing at temperatures below +2C.

Dimensions
Solenoid valve with threaded connection Solenoid valve with NAMUR interface