Features
SR340 small electromagnetic reversing valve is a control element designed and developed based on SR540 that is directly driven by microelectric signals. Its characteristics are as follows:
1. Low power, no oil supply, no pollution, and can be used in food, medicine, electronics and other industries.
2. Long service life. The product has a service life of up to 30 million times under specified environments.
3. The valve width is only 18mm, making it easy to assemble into a light and small containerized control system.
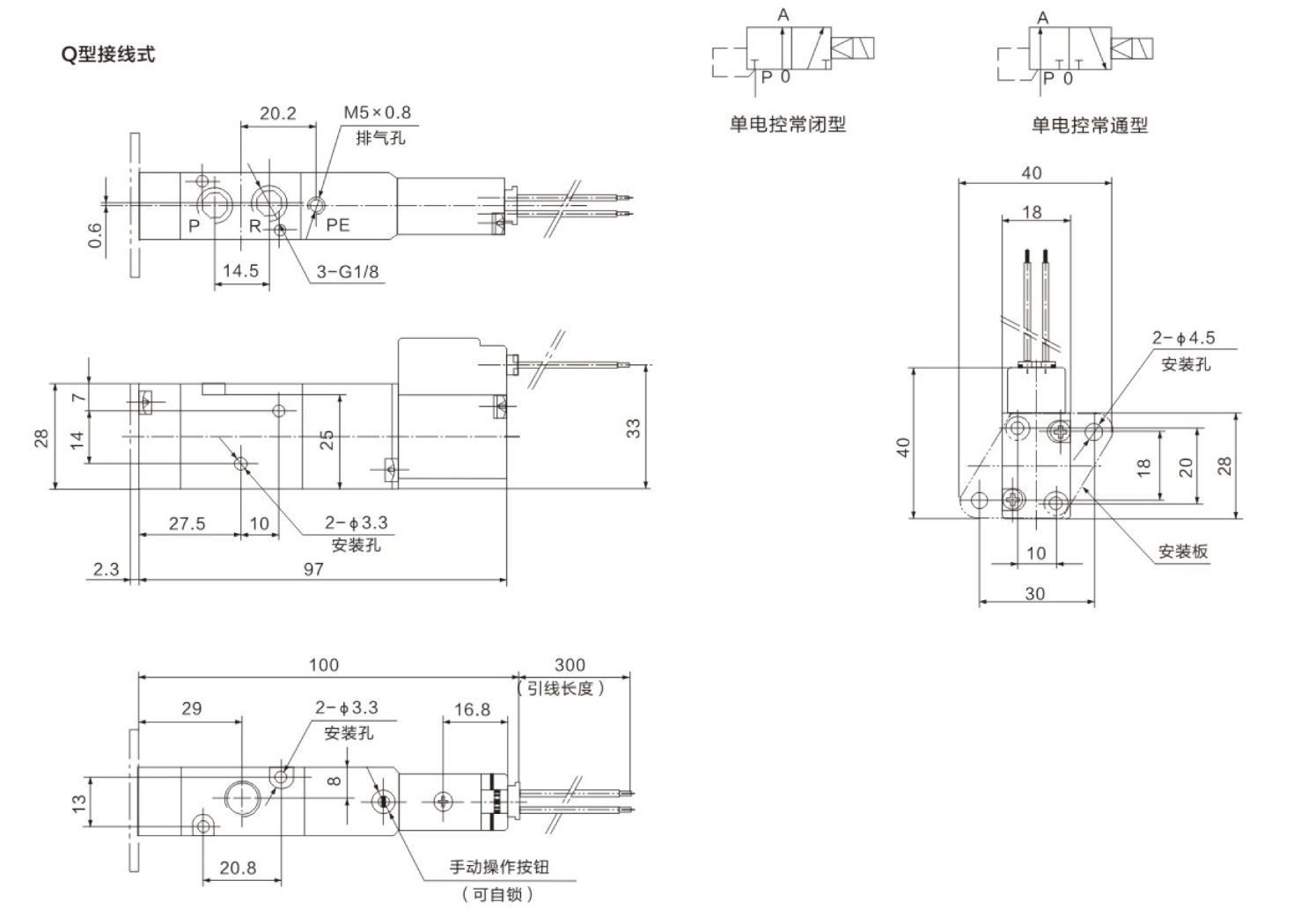
4. The single valve connection method is pipe connection type. There are two assembly methods: M type and E type.
5. Equipped with self-locking manual operation knob.
6. There are four wiring forms: DIN type, Q type, P type and R type, which can be installed with protection circuits and indicator lights.
| Graphic Symbols |
 |